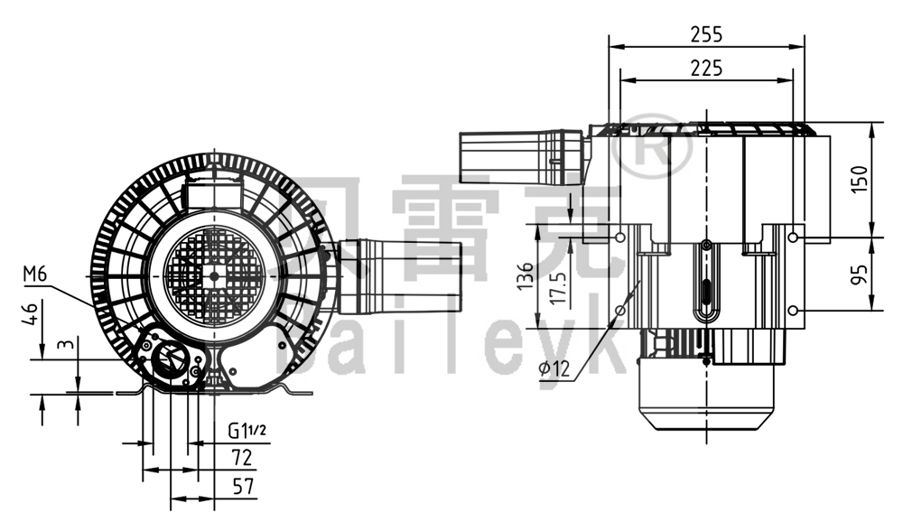
型號:RT-H4222BS 功率:2.2KW 頻率:50HZ 電壓:Δ200-240V/Y345-415V 電流:Δ9.7A/Y5.6A 口徑:DN40
最大風量:150m3/h 最大正壓:420mbar 最大負壓:330mbar 防護等級:IP55 噪音:66db 重量:27Kg
聯系我們
聯系人:劉經理
手機:13270475999
技術:13915484500
電話:0512-87882356
售后:18796851899
地址:江蘇省蘇州市黃浦江南路388號
郵箱:cxt@beileike.com
網址:www.politicsandelections.com
貝雷克 版權所有 All Rights Reserved 蘇ICP備19032292號-3 蘇公網安備 32058302002860號